断路器串联防跳线路应注意的几个问题分析
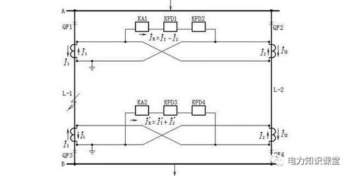
电工必须掌握的40个电气二次回路知识 30个高压电气二次回路图
多样 线路型故障指示器 电缆型故障指示器报价
【线路故障指示器,拉杆式压簧式故障指示器】-
故障指示器在电力线路中的应用
浅析高压线路智能故障指示器指示原理 张凤杰
插销式智能故障指示器电缆故障探测仪供应带电清扫刷报价
2020指示器价格 报价 指示器批发 电气网
中图牌hr 2pd fg 线路故障指示器
昌都线路故障指示器jdg新报价
用whl ekl3短路故障指示器判断线路故障
供应宁波电路板设计 pcb制造 贴片插件加工 检测全程服务 余姚铭特电器厂 线路板设计 灭蚊灯电路板 手电筒电路板 开关电源适配器
线路故障指示器常见问题详解
供应旭旺EKL1线路故障指示器 架空型故障指示器 线路故障指示器二合一/四合一图片_高清图_细节图-广州旭旺电力科技 -
线路故障测试仪产品库
供应生产线路故障指示器 - 窗锁 - 锁具 - 五金、工具 - 供应 - 切它网(QieTa.com)
【【博峰】线路故障指示器批发 线路故障指示器规格 货源充足 物美价廉】价格_厂家_图片
JDX架空型电缆线路故障指示器二合一接地短路寻址仪翻牌压簧
故障指示器-线路故障指示器-SF6泄露检测_北京易华科电技术
10kv配网自动化系统及故障处理的研究 罗伟文
如若转载,请注明出处:http://www.tlktech.com/product/list-16.html